Ponorné čerpadlo 4'' FELSOM FP4 B020 230V 1,5kW OIL motor
Kód: CEP4FPKB5_148 CEP4FPKB5_149 CEP4FPKB5_141 CEP4FPKB5_137 CEP4FPKB5_138 CEP4FPKB5_139 CEP4FPKB5_140 CEP4FPKB5_146 CEP4FPKB5_147 Zvoľte variantPodrobný popis
Pracovná oblasť čerpadla: H= 187-64m, Q= 0-50 l/min
Čerpadlá FP4 predstavujú novú úroveň v konštrukcii a v technológii výroby komponentov čerpadiel. Mimoriadna kvalita materiálu súčiastok z oxidovej keramiky umožňuje čerpať vodu s vyšším obsahom abrazívnych častíc (až do 250g/m3) a umožňuje i krátkodobý beh na sucho. Oxidová keramika má vysokú mechanickú pevnosť, vysokú tvrdosť, dobré klzné vlastnosti a vysokú odolnosť proti korózií a opotrebeniu.
Podpora nerezovej ocele AISI 304 zaručuje vysokú robustnosť a spoľahlivosť výrobku. Dizajn samostatného plávajúceho obežného kolesa zaručuje nízke axiálne zaťaženie motora.
VLASTNOSTI:
Čerpadlo:
- priemer čerpadla 98mm
- minimálna výtlačná výška Hmin=64m
- maximálne množstvo mechanických nečistôt v čerpanej kvapaline do 250g/m3
Motor:
- STAIRS 4R206, olejom plnený, prevedenie 230V, 1,5kW
- nominálny prúd 10,4A
- otáčky 2840 za minútu
- max. teplota vody 35C
- axiálne zaťaženie 2000N
- minimálna rýchlosť obtekania vodou 0,2m/s
MATERIÁLOVÉ PREVEDENIE:
- nehrdzavejúca oceľ - plášť, hriadeľ, púzdra kolies, sacia mriežka, výtlačné hrdlo
- technopolymér - obežné kolesá
GRAFICKÉ ZNÁZORNENIE VÝTLAKU A PRIETOKU:
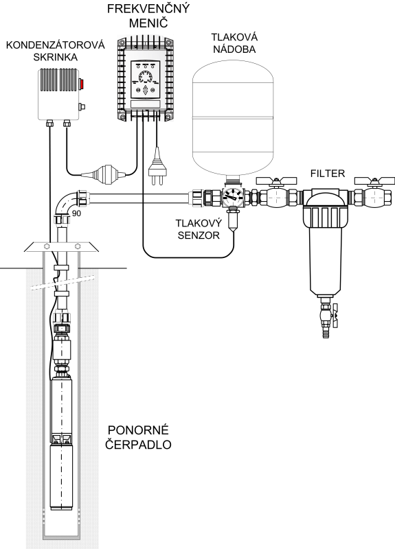
PRÍKLAD INŠTALÁCIE ČERPADLA S FREKVENČNÝM MENIČOM:
Dodatočné parametre
| Kategória: | Ponorné čerpadlá do vrtu |
|---|---|
| Záruka: | 2 roky |
| Maximálny prietok čerpadla: | 50 l/min |
| Maximálny výtlak čerpadla: | 18.7 bar, 187 m |
| Prevedenie čerpadla: | FP4 PREMIUM CELONEREZ |
| Pripojovací závit: | 5/4 '' |
| Vhodné pre vrt do: | 90 m |
| Výkon motora: | 1.5 kW |
Hodnotenie tovaru
Buďte prvý, kto napíše príspevok k tejto položke.
Diskusia
Buďte prvý, kto napíše príspevok k tejto položke.
